珀金斯柴油機提升泵、2656818 燃料過(guò)濾器
項目 零配件號碼 最近的部分號碼
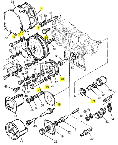
1 1 提升泵
3 3685 R007 1 3685 R007 密合墊 - 提升泵
3 3685 R008 1 3685 R007 密合墊 - 提升泵
3 36856104 1 3685 R007 密合墊 - 提升泵
4 0746258 4 0746258 螺旋
5 36241316 2 36241316 板
6 0920003 4 0920003 墊圈
7 26410149 1 ULPR0013 修補裝備 - 提升泵
7 26412505 1 ULPR0002 修補裝備 - 提升泵

項目 零配件號碼 最近的部分號碼
1 2656818 1 2656818 燃料過(guò)濾器總成
2 26560017 1 26561117 燃料過(guò)濾器裝備
2 26561117 1 26561117 燃料過(guò)濾器裝備

項目 零配件號碼 最近的部分號碼
3 1 機械要素
4 0490786 2 0490786 密封
5 26560014 1 26560014 密封 - O 的圈

項目 零配件號碼 最近的部分號碼
8 1 機械要素
9 0490786 1 0490786 密封
10 0490786 1 0490786 密封
11 26560014 1 26560014 密封 - O 的圈

16 33134418 1 33134418 間隔器
19 1 螺旋
20 1 螺帽
21 1 墊圈
22 1 托架
23 1 螺旋
24 1 墊圈
25 35845626 1 35845626 燃料管
28 4122 A003 1 4122 A003 燃料管
31 33225414 1 33225414 螺帽
32 33811114 1 33811114 橄欖
33 0201501 1 0201501 連接
34 32184414 1 32184414 螺拴
35 0920127 2 0920154 墊圈
35 0920154 2 0920154 墊圈
36 34256132 1 34256132 燃料管
39 0201397 1 0201397 連接
40 0095344 1 0095344 螺拴
41 0920146 2 0920146 墊圈
42 0576112 1 0576112 螺帽
43 0566003 1 0566003 橄欖
44 0746456 2 0746456 螺旋
45 0920004 2 0920004 墊圈
46 0920054 2 0920054 墊圈
47 1 托架
48 0746454 2 0746454 固定螺釘
49 0920004 2 0920004 墊圈
50 0920054 2 0920054 墊圈
51 1 托架 U620351G
51 36418132 1 36418132 托架 U620350G
52 2182152 1 2182152 螺旋 U620350G
53 0920007 1 0920007 墊圈
54 0920056 1 0920056 墊圈
55 0746454 1 0746454 固定螺釘
56 0576051 1 0576051 螺帽
57 0920004 1 0920004 墊圈
58 0920054 1 0920054 墊圈
109 0576005 1 0576005 螺帽 U620351G
120 3827 C007 1 3827 C007 托架
122 0746456 1 0746456 螺旋
123 0920004 1 0920004 墊圈
124 0920054 1 0920054 墊圈
125 33134418 1 33134418 間隔器
126 2131467 1 2131467 間隔器

項目 零配件號碼 最近的部分號碼
1 0650203 1 0650203 栓塞
2 2411157 1 2411157 墊圈
4 2431154 1 2431154 栓塞

項目 零配件號碼 最近的部分號碼
1 37556118 1 37556149 檢驗蓋
3 36826107 1 36826124 密合墊
4 0096238 6 0096238 螺拴
5 0920003 1 0920003 墊圈
6 0920053 6 0920053 墊圈
15 2182122 1 2182122 螺旋
18 37556179 1 37556179 檢驗蓋
20 36866434 1 36866474 密合墊
21 0746353 4 0746353 固定螺釘
23 0920053 4 0920053 墊圈
33 2418 F432 1 2418 F432 密封
